Принципиальная схема устройства, принимающего кодированный
2.11. ИК приемник «электронного пароля» с дешифратором
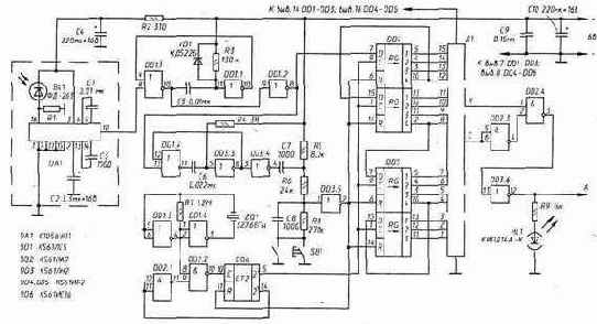
Принципиальная схема устройства, принимающего кодированный ИК сигнал брелка-генератора, показана на рис. 49.
Микросхема DA1, представляющая собой фотоусилитель, преобразует импульсы тока в фотодиоде BL1, возбуждаемые ИК вспышками брелка-излучателя, в импульсы напряжения, пригодные для прямого их введения в цифровой анализатор. На рис. 50, а показана импульсная последовательность на выходе фотоусилителя, соответствующая коду 111011100111001, который мы здесь и ниже будем рассматривать в качестве примера.
В приемнике два формирователя. Один из них, выполненный на элементах DD1.1 и DD3.1, расширяет каждый из поступающих импульсов (напомним: их длительность - около 10 мкс) до tф1@R3·C5@0,6...0,8 мс (должно быть выполнено условие: 0,5·tзн<tф1<tзн где tзн=0,976 мс - длительность знакоместа в кодированном сигнале; см. рис. 50, а, б). А второй, собранный на элементах DD1.2 и DD3.3, формирует импульс длительностью tф2@R4·C6=30...50 мс (должно быть: tф2 >16 tзн; см. рис. 50, г). По фронту этого импульса на выходе элемента DD3.5 формируется короткий импульс (tr @R5·C7@10 мкс), устанавливающий сдвигающий регистр DD4-DD5 и счетчик DD6 в нулевое состояние (рис. 50, д).
Элементы DD1.3, DD1.4, R7, ZQ1 образуют задающий генератор, работающий на частоте кварцевого резонатора ZQ1 - 32768 Гц (задающий генератор ИК излучателя, напомним, работает на этой же частоте).
Принимаемый сигнал (или помеха) фиксируется в сдвигающем регистре DD4-DD5 следующим образом. Фронтом первой же ИК вспышки все запоминающие элементы устройства переключаются

Рис. 49. ИК приемник «электронного пароля»

Рис. 50. Эпюры сигналов для кода «111011100111001»
в нулевое состояние (на выходах микросхем DD4-DD6 устанавливаются нули) и счетчик DD6 начинает счет. Примерно через 0,5 мс (tзн/2) нуль на выходе 2^4 (выв. 5) счетчика DD6 будет замещен единицей. В сдвигающем регистре К561ИР2 изменение напряжения на входе С вида J приводит к перемещению хранящегося в нем числа на один разряд в сторону старших (на рис. 49 - вниз), а в младший разряд регистра DD4 будет вписано то значение, которое в этот момент окажется на его входе D (выв. 7).
Это может быть и 1 - расширенный до tф1 «единичный» импульс, и 0 - если ИК вспышка в этом знакоместе кодовой посылки отсутствовала. Следующий сдвиг числа произойдет через tзн=0,976 мс - «шаг», который сохранится в дальнейшем.
Система сделает лишь 16 поразрядных сдвигов (сдвигающие импульсы, генерируемые счетчиком DD6, показаны на рис. 50, в) - с появлением единицы на выходе 29 счетчика DD6 и, соответственно, нуля на входе DD2.2 (выв. 9), счетчик самозаблокируется и останется в этом состоянии до очередного старта системы.
Таким образом принятая последовательность И К вспышек преобразуется в число, хранящееся в регистре DD4-DD5. Остается выяснить - является ли оно кодовым.
Осуществляется это диодно-резисторным дешифратором Д1, схему которого (для того же кода 111011100111001) иллюстрирует рис. 51. Идея дешифрации проста. Все выходы регистра, на которых в соответствии с кодовой комбинацией должна быть единица, подключают к входам диодно-резисторного конъюнктора (VD1,VD4- VD6, VD9-VD11, VD13-VD15, R1), а выходы, на которых должен

Рис. 51. Дешифратор для кода «111011100111001»
быть нуль, — к входам диоднорезисторного дизъюнктора (VD2, VD3, VD7, VD8, VD12, R2). Если в регистре зафиксировано число- код, то на выходе конъюнктора установится напряжение высокого уровня - 1, а Выходе диэъюнктора - низкого - 0. И только в этом случае на выходе ИК приемника возникнет сигнал 1. Это «единичное» его состояние продержится до тех пор, пока не будет нажата кнопка SB1 «Сброс» (параллельно ей может быть включено несколько кнопок такого же назначения) или по каналу не пройдет какой-либо посторонний сигнал*.
Приемник смонтирован на плате размером 83х54 мм, выполненной из двустороннего фольгированного стеклотекстолита толщиной 1,5 мм (рис. 52). Технология изготовления платы и приемы монтажа деталей на ней те же, что и при изготовлении платы брелка-генератора.
Особое внимание при монтаже приемника следует обратить на электрическую экранировку фотоголовки (BL1, DA1 и др.): обладая высокой чувствительностью и значительной широкополосностью, она подвержена воздействию электрических сигналов самого разного происхождения.
Экран можно изготовить из жести, его раскрой показан на рис. 53: по штриховым линиям сгибают коробку, пропаивают ее в углах, выравнивают низ и установив так, как показано штрих-пунктиром на рис. 52, припаивают в двух-трех точках к нуль-фольге. При необходимости усиление фотоголовки можно уменьшить, зашунтировав вход микросхемы DA1 резистором сопротивлением R1=0,3...З МОм.

Рис. 52. Печатная плата ИК приемника «электронного пароля»
Все резисторы в приемнике - типа МЛТ-0,125. Габариты конденсаторов С4 и С10 - Ж8х12 мм. Конденсатор С2 - типа К53-30, остальные - КМ-6, К10-176 и КД. Габариты кварцевого резонатора - Ж2х6 мм.
На плате выделено место для размещения элементов описанного выше (см. рис. 43, а) звукового генератора. На рис. 52 оно оконтурено штрих-пунктиром.
Необходимо принять меры по ослаблению засветки фотодиода посторонними источниками света, способными существенно

Рис. 53. Выкройка экрана фотоусилитвля
уменьшить чувствительность фотоприемника. Фотодиод можно поместить в «колодец», склеенный из черного полистирола, который защитит его от воздействия источников, расположенных в стороне от оптической оси. К тому же образующийся невидимый «коридор», в пределах которого только и будет возможен оптический контакт приемника с брелком-излучателем, умножит и без того немалые трудности информационного «взлома» системы.
Окно фотодиода полезно заклеить пленкой, ослабляющей по преимуществу видимый свет. Тем более, что расстояние, на котором приемник способен обнаружить и дешифровать ИК вспышки брелка, в не слишком плохих условиях превышает 10 м. В чем, чаще всего, нет никакой необходимости.
К выходу приемника (выв. 12 элемента DD3.6) могут быть подключены самые разные сигнальные устройства. Например, светодиод, показанный на рис. 49 штриховым контуром, или звуковой генератор, оповещающие о появлении «своего». Но если по сигналу приемника охранная система должна принять решение самостоятельно (включить, например, привод электрозамка), то в электронный ключ, управляющий исполнительным механизмом (ИМ), нужно ввести задержку.
Так, например, как это показано на рис. 54. Запаздывание включения ИМ зависит здесь от постоянной времени R2C1 и может составить несколько десятых долей секунды. Длительность задержки увеличится еще, если в эмиттерную цепь транзистора VT1 включить диод VD3, рассчитанный на рабочий ток ИМ, например, КД213А. Напряжение питания ИМ, с учетом возникающих при его выключении экстранапряжений (диод VD2 при индуктивных нагрузках обязателен), не должно превышать максимально допустимого для транзистора VT1 (60 В - для КТ972А, 45 В - для КТ972Б). Рабочий ток исполнительного механизма не должен превышать здесь 2 А.

Рис. 54. Электронный ключ с задержкой
Задержка срабатывания исполнительного механизма - эффективное средство в борьбе с попытками выяснить подбором задействованный в системе код. В принятой здесь системе кодирования даже секундная задержка заставит злоумышленника простоять у чужих дверей не один час. И это - при наличии у него соответствующей аппаратуры, знания принципов кодирования и время-импульсных характеристик ИК излучения. «Подсмотреть» же работу ИК брелкагенератора, не войдя в визуальный контакт с его владельцем, несравненно сложнее, нежели это допускают кодовые генераторы, работающие в радиодиапазоне.
Приемник сохраняет работоспособность при снижении напряжения питания до 4 В, потребляемый им ток не превышает 1,4 мА.
*) Заметим, что дешифратору безразлично состоянием старшего разряда регистра DD5, поскольку по окончании записи на его выв. 2 обязательно окажется 1 - стартовый бит кодовой комбинации или первый бит помехи.