КВАРЦЕВЫЕ ГЕНЕРАТОРЫ
Генератор, частота которого стабилизирована кварцевым резонатором, является обязательным узлом для большинства современных приемников и трансиверов, а также для измерительных приборов. В этом обзоре приведены варианты возможного исполнения подобных генераторов на частоты от единиц до десятков мегагерц.
Прежде чем переходить к практическим схемам, отметим, что для широко распространенных кварцев основная рабочая частота обычно не превышает 10... 15 МГц. Обусловлено это трудностями в изготовлении (при серийном производстве) очень тонких кварцевых пластин с высокой степенью параллельности рабочих сторон. Последнее, в частности, сильно влияет на моночастотность резонатора (отсутствие паразитных резонансов, особенно вблизи основной рабочей частоты).
Применительно к генераторам наличие таких резонансов может привести к возбуждению резонатора не на той частоте, что указана на его корпусе, или к скачку частоты генератора при изменении внешних условий (температура, сопротивление нагрузки и т.п.). Если частота, указанная на корпусе кварцевого резонатора, выше 15 МГц, то с высокой степенью вероятности этот резонатор гармониковый, и его основная частота в три или даже в пять раз ниже "номинала".
В генераторе, схема которого показана на рис.1, кварцевый резонатор возбуждается на основной частоте [1]. Для его устойчивой работы сопротивление нагрузки (входное сопротивление следующего каскада) должно быть не менее 1 кОм. При этом высокочастотное напряжение на выходе генератора будет не менее 0,5 В (здесь и далее - эффективное значение).

рис.1
Номиналы конденсаторов С3, С4 и резистора R4 зависят от рабочей частоты кварцевого резонатора. Для полосы частот 1...3 МГц они должны быть соответственно 270 пф, 180 пф и 3,3 кОм; для 3...6 МГц - 180 пф, 120 пф и 3,3 кОм; для 6...10 МГц - 180 пФ, 120 пф и 2,2 кОм; для 10...18 МГц - 150 пФ, 68 пФ и 1,2 кОм; для 18...21 МГц - 68 пФ, 33 пФ и 680 Ом.
Как принято говорить в таких случаях, при исправных деталях и безошибочном монтаже генератор настройки не требует (за исключением, быть может, некоторой коррекции рабочей частоты подстройкой конденсатора С2).
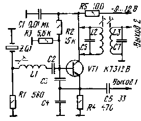
Если при выполнении двух названных выше условий генератор все же не заработал, то единственной причиной этого может быть невысокая активность кварцевого резонатора. В этом случает его следует либо заменить на другой, либо попытаться "поиграться" с номиналами конденсаторов СЗ и С4. В частности, может помочь изменение в ту или иную сторону отношения их емкостей. На рис. 2 приведена схема генератора, в котором кварцевый резонатор возбуждается на нечетных гармониках его основной рабочей частоты [2]. Как и в предыдущем варианте, входное сопротивление следующего каскада должно быть не менее 1 кОм. Выходное напряжение - примерно 0,5 В. Для полосы частот 15...25 МГц емкости конденсаторов С2, СЗ и С4 должны быть соответственно 100, 100 и 68 пФ; для 25...55 МГц - 100, 68 и 47 пФ; для 50...65 МГц - 68, 33 и 15 пФ.

рис. 2 Катушку L1 наматывают проводом диаметром 0,3 мм на каркасе диаметром 5 мм. Она имеет подстроечник из карбонильного железа (диаметр - 4 мм). Для трех указанных выше полос рабочих частот число витком должно быть соответственно 15, 10 и 7. Налаживают генератор подстройкой катушки 1.1 но устойчивой генерации на третьей гармонике основной частоты кварцевого резонатора. Если этого не происходит при любом положении подстроечника, то следует подобрать число витков катушки или попробовать провести эту операцию, установив конденсатор С2 с большим или меньшим номиналом. Если же и эта операция не поможет, то скорее всего причиной является низкая активность кварцевого резонатора (см.выше). Следует заметить, что далеко не все резонаторы, устойчиво генерирующие на основной частоте, также устойчиво работают и на гармониках. Подобный генератор может обеспечить напряжение около 2 В на высокоомной нагрузке (например, смесительный каскад на тразисторе с изолированным затвором) на более высокой частоте, если в цепь коллектора транзистора VT1 ввести полосовой фильтр, настроенный, например, на вторую гармонику рабочей частоты генератора (т.е. это будет генератор - удвоитель частоты на одном транзисторе).
Катушки индуктивности L2 и L3 такого фильтра наматывают проводом диаметром 0,6 мм на каркасе диаметром 5 мм с двумя подстроечниками из карбонильного железа (диаметр 4 мм). Расстояние между катушками - 5 мм. Для полосы частот 60...90 МГц число витков должно быть 9, а для 90...130 МГц - 6. Номиналы конденсаторов С6, С7 фильтра - 33 и 22 пф соответственно. Генератор, схема которого показана на рис.3 [3], чуть посложнее - он содержит колебательный контур. Это даст сразу два преимущества. Во-первых, он имеет более высокую спектральную чистоту выходного сигнала. Во-вторых, он обеспечивает более широкий уровень выходного сигнала (около 1 В на нагрузке 100 Ом).

рис.3 Для полосы частот 1...3 МГц емкости конденсаторов С2, С5 и С6 соответственно равняются 470, 270 и 2000 пФ; для З...10 МГц - 330. 150 и 1500 пф; для 10...30 МГц - 180. 47 и 330 пф. Катушка L1 должна иметь при среднем положении подстроечника такую индуктивность. чтобы обеспечить с конденсатором С5 резонанс на рабочей частоте. Налаживают этот генератор по устойчивой генерации на основной частоте кварцевого резонатора или на ее третьей гармонике. Литература 1. Detlef Lechner, Peter Fink. Kurzwellen sender. - Militarverlag der DDR, 1979. 2. G.RJessop. VHF/UHF manual. -RSGB, 1983. 3. J-Pavlovec, J.Samur. Krystalove jednotky a oscilatory. - Amaterske Radio (B), 1987. N 2, p. 42-61. (КВ-журнал 1/92)