Широкополосные усилители мощности на полевых транзисторах
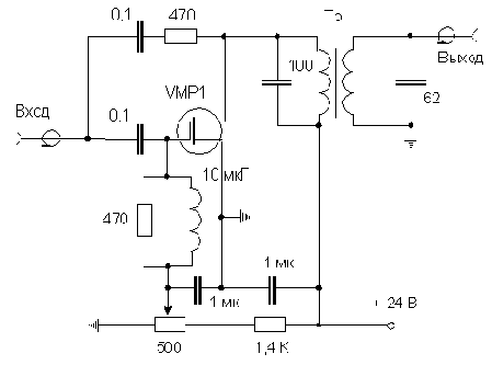
Усилитель мощности с нейтрализацией проходной емкости транзистора
Однотактный усилитель данного типа может работать только в классе А. Его энергетические показатели аналогичны показателям однотактных трансформаторных усилителей низких частот. Типовое значение КПД обычно не превышает 35...40% (при этом довольно заметны нелинейные искажения, обусловленные прежде всего второй гармоникой). Усилитель на транзисторе VMP1 при Uc=24 В обеспечивает Рвых=4 Вт при Ku=15 дБ и полосе усиливаемых частот от 2 до 150 МГц.

Рис.1
Т1 наматывается скруткой из двух проводов диаметром 0.3 мм и содержит 4 витка. Сердечник типа F625-BQ2. Можно применить отечественное ВЧ кольцо с низкой магнитной проницаемостью.
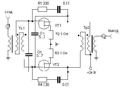
Усилитель мощности с цепью параллельной отрицательной обратной связи
Данный вариант усилителя без входного трансформатора и без нейтрализации проходной емкости Сзс имеет вдвое меньшую полосу.

Рис.2
Различные вырианты подобных усилителей (в зависимости от конструкции трансформаторов и использованных транзисторов) обеспечивают усиление Ku=12...30 дБ в полосе частот до 300 МГц при коэффициенте шума 3...5 Дб.
Двухтактный широкополосный усилитель мощности
Существенное улучшение энергетических параметров широкополосных УМ возможно лишь при использовании двухтактных каскадов, работающих в режиме класса АВ. Такой вариант схемы приведен на рис.3. При К=15 Дб в полосе 2...100 МГц он обеспечивает Рвых=8 Вт. Входное и выходное сопротивление усилителя - 50 Ом.

Рис.3
Конденсаторы Сn используются для нейтрализации. Разработчики этого усилителя рекомендуют уменьшать паразитную индуктивность резистора R2 путем параллельного включенния четырех-пяти резисторов большего номинала. Напротив, с целью уменьшения паразитной емкости резисторов R1 и R4 их целесообразно выполнить в виде нескольких последовательно включенных резисторов с меньшим номиналом.
Трансформаторы выполнены аналогично схеме на рис.1 (скрутка из 3-х проводов - 4 витка). Тип полевых транзисторов в статье не приводится (думаю, можно применить транзисторы типа КП901).
Литература.
1. EDN Magazine, June 20, 1974, p.71-75.
2. Схемотехника устройств на мощных полевых транзисторах. Справочник. Под.ред. В.П.Дьяконова.